MEGA TORQUE G TIMING BELT
PDF 다운로드
특징
- 큰 전동용량
- 고무 Timing Belt STPD에 비해 약 2배의 전동용량이 있습니다.
(풀리경, 회전수에 의한 차이가 있습니다)
- 컴팩트한 설계
- 고무 Timing Belt STPD에 비해 같은 풀리경으로 평균 약40% 폭이 작아집니다.
- 기존 Pulley 사용
- STPD(S8M, S14M)의 Pulley를 그대로 사용할 수 있습니다.
(※MTS5M용 Pulley에 대해서는 별도 문의 바랍니다)
종류
| MTS 5M | MTS 8M | MTS 14M | ||
|---|---|---|---|---|
| RUBBER | RUBBER | URETHANE | RUBBER | |
| Pitch(mm) | 5 | 8 | 14 | |
| 재질 | G | G | U | G |
| 경도 | 고경도 합성고무80도 | 고경도 합성고무88도 | 폴리우레탄 경도 92도 | 고경도 합성고무88도 |
| 심선 | GLASS | GLASS | ARAMID | GLASS |
| 범포 | 나일론범포 | 나일론범포 | 나일론범포 | 나일론범포 |
※ G : 고무 Timing Belt / U : 우레탄 Timing Belt
구조
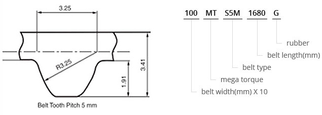
사이즈 조건표(예시)
※ 주 수입처 : MITSUBOSHI 규격에 준함.

